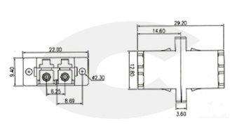
Optická spojka LC OM2 multimode duplex (LC-LC)
Optický adaptér k jednoduchému spojení dvou LC duplexních konektorů (čtyř simplexních) s multimodovými vlánky 50/125 OM2.
Spolehlivé a stabilní spojení je zajištěno vysoce přesnou keramickou centrovací vložkou, která umožňuje opakované připojování bez zhoršení přenosových parametrů (útlumu).
Adaptér je vybaven přírubou (křidélky) s otvory pro pevné uchycení do čela optické vany nebo adaptérového pole optických rozvaděčů.
Technické parametry:
|
|
UPC SM 9/125 |
APC SM 9/125 |
MM PC |
|
Vložný útlum (Insertion Loss) |
< 0,15 dB |
< 0,15 dB |
< 0,15 dB |
|
Zpětný odraz (Return Loss) |
> 50 dB |
> 60 dB |
> 35 dB |
- Životnost (500 spojení/rozpojení): max. změna útlumu 0,1 dB
- Vytahovací síla konektoru: 2,0 – 5,9 N
- Provozní teplota: -40 až +85 °C
Ke stažení
Prohlášení o shodě
(pdf, 146.2 kB)
Katalogový list
(pdf, 279.7 kB)


